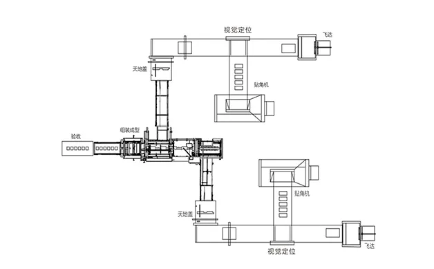
Wider range of use, anisotropic box bottomless box, handicrafts, oversized, extra small gift box, outer box inside the box double combination can be convenient and quick to use the production, to provide users with more diversified product production.



Download









